Aperçu des sections

    • Freecad pour la fabrication numérique : une série d'activités pour débutants

       

      Ces ressources en ligne gratuites offrent une introduction pratique à Freecad, spécifiquement conçue pour les débutants qui souhaitent découvrir le logiciel dans le cadre de futurs projets de fabrication numérique. Plutôt qu'un cours théorique traditionnel, cette formation propose une série d'activités concrètes, permettant aux utilisateurs de se familiariser progressivement avec les fonctionnalités de base de Freecad.

      Chaque activité est pensée pour initier les novices aux outils et aux techniques essentiels du logiciel, tout en les appliquant directement à des cas pratiques. Que vous souhaitiez préparer des fichiers pour une imprimande 3D, créer un objet motifs pour une fraiseuse CNC, ou explorer d'autres techniques de fabrication numérique, ces activités vous guideront étape par étape.

      Les sections sont généralement composées des éléments suivants : 

      • Du texte explicatif
      • Une ou plusieurs captures d'écran illustrant l'activité et les fonctionnalités abordées
      • Un ou plusieurs fichiers au format .FCStd (FreeCad) que vous pouvez télécharger afin de reproduire l'activité sur votre ordinateur
      • D'autres fichiers à télécharger, le cas échéant
      • Une ou plusieurs vidéos explicatives afin de vous aider à reproduire l'activité

       

      Attention, les vidéos ne sont pas des leçons, et ne disposent pas d'accompagnement vocal. Elles servent à vous aider à effectuer les différentes activités à l'aide des captures d'écran et des fichiers téléchargeables. Nous vous conseillons de les regarder en plein écran.

      L'objectif de cette approche est de permettre aux débutants de comprendre le fonctionnement du logiciel tout en travaillant sur des tâches concrètes. Plutôt que d'apprendre chaque fonction de manière isolée, vous découvrirez comment elles s'intègrent dans un processus global, vous donnant ainsi les bases nécessaires pour être autonome dans vos propres créations.

      Ces ressources sont ouvertes à tous, et aucune expérience préalable avec FreeCad n'est requise. Ils vous aideront à maîtriser les outils fondamentaux du logiciel et à développer la confiance nécessaire pour poursuivre vos projets créatifs en fabrication numérique.

  • 00 - Bases et navigation
  • Dans cette section, vous allez aborder les compétences et fonctionnalités suivantes :
    • Téléchargement et installation
    • Ouvrir un fichier
    • Enregistrer un fichier
    • Vues et navigation
    • Exporter
    • Téléchargement et installation

       

      Pour télécharger Freecad, il vous suffit de vous rendre sur le site officiel : freecad.org
      Puis de vous rendre dans l’onglet téléchargement et cliquer sur la version qui correspond à votre système d’exploitation.  Vous pouvez ensuite l’installer.

      Cela vous semble difficile à faire ? Pas de panique ! La vidéo suivante vous montre les comment effectuer les différentes étapes.

       

       

       

    • Ouvrir un fichier

       

      Pour cela, vous allez d'abord devoir télécharger ce fichier avec le lien suivant : FreeCad - 00 - Bases et navigation - Ouvrir un fichier.FCStd

      Ouvrir un fichier avec Freecad va vous permettre de l'éditer et de vous entraîner.
      Grâce à la vidéo, réalisez cette opération avec le fichier Test précédemment téléchargé.

       

       

    • Enregistrer un fichier

       

      Le premier réflexe à adopter, une fois qu'un fichier a été ouvert, est d'Enregistrer un fichier sur votre ordinateur. Cela permet de s'assurer qu'il sera bien classé et facilite la recherche, surtout lorsque l'on travaille sur plusieurs projets.

      Effectuez l'enregistrement du fichier que vous venez d'ouvrir en suivant les instructions de la vidéo.

       

        

    • Les vues et navigation

       

      Grâce au modèle précédemment téléchargé et ouvert, vous allez apprendre avec les vidéos suivantes ; comment déplacer la vue pour visualiser au mieux votre modélisation 3D.

      Les Vues Spécifiques

      Ce positionner selon de vue spécifique est important notamment pour pouvoir dessiner une esquisse.

       

      Tourner et déplacer la vue

       

       

      Changer les paramètres de Navigation

      Sur Freecad, vous pouvez changer les paramètres de navigation directement grâce à un menu déroulant en bas de la fenêtre.
      Cela vous permet de choisir les boutons qui feront pivoter la vue.
      Par exemple en “CAD” il faut appuyer sur la touche “SHIFT” puis “clic droit” pour faire pivoter la vue.
      Alors que lorsque “Gesture” est sélectionné, il faut tout simplement faire un clic gauche.

      Toutes ces options vous sont là pour que vous puissiez configurer ce qui est le plus pratique pour vous. Elles permettent aussi de garder les réflexes si vous utilisez un autre logiciel 3D à côté.

       

       

      Recentrer

      Parfois, la pièce n’est plus en visuel dans notre fenêtre de navigation. Il existe heureusement un bouton pour le faire apparaître à nouveau.

       

       

      Zoom

       

       

    • Exporter

       

      Freecad propose un large choix d’export. Ici, nous allons exporter en STL ce qui est particulièrement recommandé pour l’impression 3D.

       

       

  • Dans cette section, vous allez aborder les compétences et fonctionnalités suivantes :
    •  
    • Esquisse

       

      Dans la plupart des cas, dans freecad et dans les logiciels de CAO, on commence avec une esquisse. C’est un ensemble de ligne et de point en 2D auquel on applique une fonction par le suite pour le rendre en trois dimensions.

      Pour cela il faut au préalable créé un corps qui va contenir un ensemble d’esquisse et de fonction.

      Freecad propose par défaut un onglet “Tâches” sur la gauche. Celui-ci présente des actions qui doivent en général se dérouler dans cet ordre. Par exemple, il propose de créer en Corps, puis une Esquisse. Puis, un fois l’esquisse fermée, il propose de la modifier via des fonctions, comme Protrusion ou Révolution. Tous ces boutons sont aussi accessibles via la barre d’outil au-dessus.

       

       

    • Rectangle

       

      Le rectangle peut être dessiné pas ces 2 points opposés ou par 1 des ces coins et son centre.

       

       

    • Cercle

       

      La vidéo commence avec les résultats du précédent exercice. C’est l'occasion de vous montrer comment nous pouvons les effacer soit en les supprimant soit en faisant retour arrière.

       

       

    • Arcs et ellipses

       

       

       

    • Ligne et polyligne

       

       

       

    • Ajuster et prolonger

       

       

       

    • Étape 1

       

      Bienvenue sur notre premier exercice d'application Freecad.
      Cette activité va nous permettre de mettre en pratique les bases de la CAO en créant un objet simple, une brique de LEGO, représentée ci-dessous :

      Dans cette première partie, il va nous falloir créer un fichier, le nommer et l'enregistrer. Ensuite nous allons créer un corps puis une esquisse et appliquer une fonction d'extrusion.

      Nous allons aussi voir les outils de cotation contrainte Horizontale et Verticale.

      Évidemment, il ne faudra pas oublier de sauvegarder régulièrement notre travail.

       

       

    • Étape 2

       

      Pour continuer sur le même principe, il nous est demandé de réaliser une nouvelle esquisse, cette fois-ci sur une face récemment créée, puis une nouvelle extrusion.

      Nous découvrirons aussi l’outil “Créer une géométrie externe” qui nous permet de prendre des références sur un volume précédemment construit.

       

       

    • Étape 3

       

      Nous allons maintenant utiliser une nouvelle fonction appelée “Transformation Multiple”. A celle-ci nous allons ajouter deux répétitions linéaires : suivant l’axe X puis l’axe Y.

       

        

    • Étape 4

       

      Ici, vous allez utiliser l’outil “Coque”. Elle permet, à partir d’une face, d’évider un volume en lui créant une épaisseur.

      Dans cette partie, j’en profite pour vous montrer comment mettre en transparence un corps. Cela permet de mieux percevoir le corps creux notamment. 

       

       

    • Étape 5

       

      Pour continuer, une nouvelle esquisse sur face. La nouveauté ici, c’est les traits de construction combinés avec de nouvelles contraintes. Ils vont nous permettre de positionner notre esquisse avec précision.

      Comme d'habitude, pensez à bien enregistrer votre travail.

       

       

    • Étape 6

       

      L’étape finale, une répétition linéaire et une nouvelle fonction : Congés.

      Une fois cette étape terminée, nous aurons réalisé notre première modélisation 3D. Bravo !

       

       

    • Étape 1

       

      Bienvenue sur notre second exercice d'application Freecad.

      Cette activité va nous permettre de créer un deuxième objet simple, en utilisant de nouveaux outils. Il s'agit d'un trombone, comme indiqué dans l'image ci-dessous :

      La première étape consiste à faire un tracé qui correspond à la silhouette du Trombone.

      Ici vous apprendrez aussi comment transformer un tracé en ligne de construction.

      Voici les dimensions du trombone :

       

       

       

    • Étape 2

       

      Nous terminons cet exercice par une nouvelle esquisse, sur un plan différent, puis en appliquant une nouvelle fonction : “Balayage Additif”.

      Une fois cette étape terminée, nous aurons réalisé notre deuxième modélisation 3D. Bravo!

       

       

    • Étape 1

       

      La première étape consiste à télécharger l’image en cliquant sur le lien suivant : Exercice verre à cocktail.

      Ensuite la vidéo vous montre comment l’importer, la positionner et la calibrer dans Freecad.

       

        

    • Étape 2

       

      Dans la deuxième étape, nous allons commencer à reproduire la silhouette avec l’outil polyligne.

       

         

    • Étape 3

       

      Ici nous allons faire appel à l’outil “B-pline par point de contrôle”. Nous l’avions entre-aperçu dans l’atelier base du dessin. A présent, il s’agit de suivre les courbes du verre.

       

          

    • Étape 4

       

      A cette étape, c’est l’outil “révolution” qui sera nouvellement introduit.

       

           

    • Étape 5

       

      Pour conclure nous allons ajouter des congés sur le bord du haut. En fin de vidéo vous apprendrez à changer l’apparence de l’objet pour lui donner un aspect plus réaliste.

       

            

  • Dans cette section, vous allez aborder les compétences et fonctionnalités suivantes :
    • “clone”, qui peut être une alternative pour créer de l’épaisseur.
    • “lissage additif”
    • “Plan de référence”
    • Les atelier Draft et Part
    • Étape 1

       

      Bienvenue sur notre nouvel exercice d'application Freecad.

      Cette activité va nous permettre de mettre en pratique de nouvelles fonctionnalités de la CAO en réalisant un autre objet: un vase. Voici un aperçu.


      Jusqu'à présent, nous étions focalisés sur l’atelier Part Design et Sketcher. Dans cet exercice nous allons utiliser des outils qui se trouvent dans d’autres ateliers. En l’occurrence, l’atelier Draft et Part.

      Dans cette première vidéo, vous allez apprendre à faire des plans de référence. Pour faire des esquisses qui sont en dehors de 3 plans de référence de base.

       

       

       

    • Étape 2

       

      Ici nous reproduisons les opérations précédentes pour ajouter des étages.

       

       

       

    • Étape 3

       

      Pour la première fois nous allons changer d’atelier. Nous allons utiliser l'outil clone dans l’atelier Draft. Cela permettra de dupliquer l’étage 2 mais avec une transformation en plus.

       

       

        

    • Étape 4

       

      La fonction “lissage” va nous permettre de relier toutes les esquisses précédemment construites.

       

       

         

    • Étape 5

       

      Une fois de plus nous allons utiliser l'outil Clone. Mais cette fois-ci nous allons cloner un volume et non esquisse. Nous allons aussi utiliser une des fonctions booléenne dans l’atelier Part appelée “Soustraction”.

       

       

       

    • Étape 1

       

      Bienvenue sur notre nouvel exercice d'application Freecad.

      Cette activité va nous permettre de mettre en pratique de nouvelles fonctionnalités de la CAO, ainsi qu'une façon différente de créer, en réalisant un objet : une ampoule. Vous trouverez un aperçu de la réalisation à obtenir ci-dessous :

       

      Pour réaliser cette première partie, nous allons créer un cylindre sans esquisse à l'aide des fonctions Cylindre, puis, dessiner des traits de construction pour notre prochaine étape.

       

       

       

    • Étape 2

       

      Dans cette deuxième partie, nous allons continuer la modélisation de notre objet sans esquisse, à l'aide de la fonction Sphère, puis effectuer une opération booléenne pour unir ces 2 volumes.

      Évidemment, il ne faudra pas oublier de sauvegarder régulièrement notre travail.

       

       

       

    • Étape 3

       

      On commence par re-nommer les éléments précédemment créés. Il s’agit ensuite de créer un volume cylindrique qui servira de base pour le culot de l’ampoule.

       

       

       

    • Étape 4

       

      Ici, nous créons une esquisse qui servira de base pour façonner le filetage du culot.

       

       

       

    • Étape 5

       

      Dans cette cinquième étape, la principale découverte est la fonction “hélice soustractive”. Grace à celle-ci nous allons formé le filetage.

       

       

       

    • Étape 6

       

      Nous allons terminer en prenant un temps pour renommer les différentes fonctions et esquisses. Puis faire un chanfrein et un congé et vous aurez fini votre sixième étape. Félicitations !

       

       

       

    • Étape 1

       

      Bienvenue sur notre nouvel exercice d'application Freecad.
      Cette activité va nous permettre de mettre en pratique de nouvelles fonctionnalités de la CAO, ainsi qu'une façon différente de créer, en réalisant un nouvel objet : un tournevis. Vous pouvez apercevoir le résultat à viser ci-dessous :

       

      Nous commençons par faire le cylindre qui servira de manche. Rien de très nouveau ici.

       

       

       

    • Étape 2

       

      Nous poursuivons avec un enlèvement de matière qui formera les rainures du manche.

       

       

       

    • Étape 3

       

      Dans cette troisième étape, nous allons voir une nouvelle fonction : la répétition circulaire de fonction. Celle-ci va nous permettre de multiplier les rainures autour du manche.

       

       

       

    • Étape 4

       

       

        

    • Étape 5

       

      Enlèvement de matière à partir de l’esquisse précédente, et passage de congé.

       

       

       

    • Étape 6

       

      Une fois de plus, un enlèvement de matière pour former le trou dans le manche.

       

       

       

    • Étape 7

       

      Ici nous utilisons un nouvel outil : “créer une forme liée”. Cela permet de définir la face ou les éléments sélectionnés comme plan ou point de référence pour servir de base à la nouvelle esquisse par exemple.

       

       

        

    • Étape 8

       

      Là encore nous allons utiliser l’outil “créer une forme liée”. Cette fois-ci pour créer l’esquisse de l’embout du tournevis.

       

       

       

    • Étape 9

       

      Dans cette neuvième étape, il s’agit de faire un esquisse pour tailler l'embout “plat”.

       

       

        

    • Étape 10

       

      On voit dans cette vidéo comment symétriser une fonction et ainsi taille l’autre côté de l’embout.

       

       

         

    • Étape 11

       

      Je vous montre dans cette dernière étape comment ajouter le de la couleur à vos différentes pièces. Au-delà d’un aspect esthétique, il est parfois intéressant d’avoir plusieurs couleurs pour comprendre plus aisément les différentes parties qui composent un objet. A la fin de cette étape vous aurez terminé ce nouvel exercice Freecad ! Bravo !

       

       

          

    • Étape 1

       

      Dans les logiciels de CAO, ce qui est intéressant c’est de pouvoir positionner les pièces les unes par rapport aux autres avec précision. Nous allons donc voir ici comment créer un fichier d’assemblage puis comment importer des pièces et ensuite les contraindre entre elles pour les animer.

      Comme vous avez pu le comprendre dans les exercices précédents, Freecad fonctionne avec des ateliers. Certains sont installés de base comme Design Part, Sketch, Part et Draft que nous avons déjà vu. Il en existe d'autres dans le menu déroulant mais il y a aussi la possibilité d’en télécharger beaucoup d'autres via l’application. C’est ce que l’on va faire pour cette première étape.

      Nous allons télécharger l’atelier : A2Plus.

       

      Je vous montre comment télécharger A2Plus. Il faut aussi que vous téléchargiez les fichiers suivants :  

       

      Une fois l’atelier A2Plus installé, nous allons créer un nouveau fichier dédié à l’assemblage.

      Puis nous importons les pièces qui constituent notre assemblage.

       

       

       

    • Étape 2

       

      Cette vidéo vous montre comment ajouter des contraintes.

      Grâce à l’outil : “bouger les parties sélectionnées selon leurs contraintes”, “Move the selected part under constraints” les pièces bougent selon leurs axes de liberté.

      Pour ces deux chariots il s’agit d’une translation longitudinale.

       

       

       

    • Étape 3

       

      Dans dernière étape nous ajoutons une tige qui va contraindre les deux chariots entre eux via deux liaisons pivots.

       

       

        

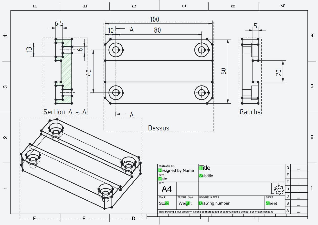
    • Étape 1

       

      Le but de ce nouvelle exercice est de créer un plan coté à partir d’une pièce 

      Nous allons voir dans cette première étape comment ajouter des vues dans un plan à partir d’un model : Une vue en perspective, une vue de dessus, et une vue de côté.

       

       

      Pour cela télécharger le fichier suivant télécharger le fichier suivant : Exercice mise en plan.FCStd

      On utilise aussi pour la première fois l’atelier Techdraw. J’en profite pour vous montrer comment ré-arranger les différents outils. Il est possible qu’en fonction de votre écran et votre configuration toutes les icônes ne s'affichent pas à l’écran.

       

       

       

    • Étape 2

       

      Ajouter des cotations et faire apparaître des ligne cachés et Insérer des axes de perçage.

       

       

       

    • Étape 3

       

      Dans cette dernière étape, nous allons voir comment faire une vue de coupe du modèle et la coter. Puis donner un nom à la mise en plan.

       

       

       

    • Étape 1

       

      La première étape consiste à télécharger les documents suivants et les enregistrer dans le même dossier de travail. En effet lorsque que vous allez ouvrir l’assemblage, Freecad va automatiquement aller chercher les pièces de l’assemblage dans le dossier du fichier que vous venez d’ouvrir :

      Une fois le document ouvert dans Freecad, vous devriez avoir le stand devant les yeux.

      Dans cette première vidéo, on met en évidence qu’il peut y avoir des problèmes lorsque que l’on modifie les dimensions d’une pièce qui s’assemble avec une autre.

       

       

       

    • Étape 2

       

      Nous allons créer un document qui va centraliser les références de dimensions : “fichier dimensions.FCStd”. Celui-ca va contenir un tableau qui sera ensuite partagé avec les différentes pièces. Il contient les dimensions des pièces.

      Celui-ci se fera dans l’atelier “spreadsheet”.

       

       

       

    • Étape 3

       

      Nous allons voir comment appliquer les dimensions du tableau sur les fonctions des pièces.

      En l'occurrence l’épaisseur.

       

       

        

    • Étape 4

       

      Une fois l'épaisseur définie dans les fonctions, on va les définir dans les esquisses pour que les deux fentes puissent bien s'emboîter entre elles.

       

       

       

    • Étape 5

       

      Ici, nous voyons comment mettre à jour les pièces. Vous remarquerez que si elles ne sont pas sauvegardées, elles ne se mettent pas à jour dans l’assemblage. Il est possible d’appliquer des opérations comme des additions, soustractions, divisions, multiplications … avec les expressions.

       

       

       

    • Étape 6

       

      On continue à appliquer les formules au stand 2.

       

       

       

    • Étape 7

       

      Nous voyons ici qu’il est possible de rajouter des formules à n'importe quel moment.

       

       

       

    • Étape 8

       

      Nous appliquons ces formules pour rendre le modèle presque entièrement paramétrique.